公司产品
深圳市高士达精密机械有限公司
手机:159-9953-8817
电话:0755-29673755/3955
邮箱:2251952937@qq.com
传真:0755-29673856
地址:深圳市宝安区观兰镇君子布村君新路(142号)胜顺产业园B栋
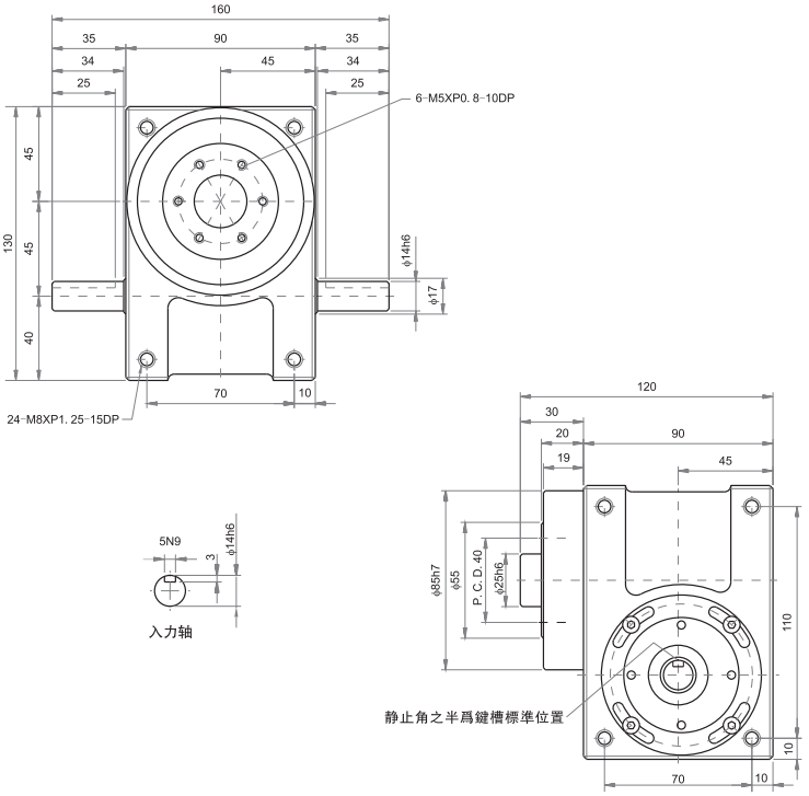
45DF分割器
45DF分割器

深圳市高士达精密机械有限公司的45DF分割器型号产品怎么样?作为凸缘型分割器厂家的高士达是一家集研发,生产,服务为一体的kaiyun开云官方在线入口及精密机械凸轮的制造企业,公司把握先锋趋势,以实力缔造辉煌,大力推广先进的加工工艺和技术,并且已经取得令人瞩目的成果我们本着“诚信,专业,创新,服务”的理念,遵从互惠互利,诚实守信的原则。使我们在生产技术和设备上已达到世界的先进水平。
凸缘型(45DF,60DF,70DF,80DF,110DF,140DF,180DF,250DF)
此机种具有重负荷特性,可承受较大之垂直径向或轴向压力,为本公司专属设计工程师群,经历多年针对盘式结构需要设计而成,其输出轴为面盘式设计,有凸缘中心、盘面螺孔、定位、销孔,固定面宽大,可使平面度及稳固性,更具坚实平稳。最能适用于较大负荷之回转式圆盘驱动场合,此系列机种被广泛使用在各类盘式加工机械,及类似机构之产业机械,自动化间歇驱动部,驱动圆盘。
技术参数
| 项目 | 符号 | 单位 | 数值 |
| 出力轴容许径向负荷 | C1 | kgf | 130 |
| 出力轴容许轴向负荷 | C2 | kgf | 140 |
| 出力轴容许力矩 | Ts | kgf-m | 参考力矩表 |
| 入力轴容许径向负荷 | C3 | kgf | 85 |
| 入力轴最大弯曲力矩 | C4 | kgf | 110 |
| 入力轴最大扭矩 | C5 | kgf-m | 4 |
| 入力轴的GD2(注1) | C6 | kgf-m2 | 3.2x10-4 |
| 定位分割精度 | sec | ±30 | |
| 重量 | kg | 7.5 |
注:入力轴的GD2是在停留范围内的数值。
注:C1至C5数值是达到安全系数=2时的数值。














